01
Viale lombardia 59 - 20861 - Brugherio (MB)
Telefono: 039.6852543
e-mail: info@luros-srl.com
P.Iva e C.F. 09809340962
Italia


.jpeg)
Gamma DUNA
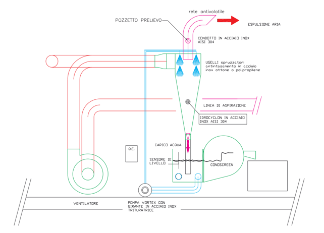
CICLONE DUNA: Abbattitore di Ceneri provenienti dal processo tessile di Gasatura
Il ciclone separatore “DUNA” è destinato all’abbattimento delle polveri e delle ceneri contenute nell’aria, provenienti dall’impianto di aspirazione della Gasatura.
La serie “DUNA” è stata progettata per soddisfare le molteplici esigenze dell’utilizzatore ed è idonea a soddisfare tutte le prescrizioni legislative per l’abbattimento di polveri e ceneri provenienti da attività di Gasatura, rendendola un’apparecchiatura di abbattimento unica nel suo genere con bassissimi costi di ordinaria manutenzione.
CICLONE DUNA: Descrizione e Funzionamento
Il ciclone separatore “DUNA” , adatto per la separazione gravimetrica delle polveri aspirate, è corredato da un sistema di lavaggio dell’aria a pioggia adeguatamente dimensionato e la sua applicazione prevedere il funzionamento in pressione
Per effetto della velocità periferica a spirale, creata dal flusso dell’aria e dall’acqua immessa attraverso una pompa dedicata, separa le particelle solide o liquide dall’aeriforme convogliato.
Il ciclone è realizzato ad elementi saldati o flangiati ed è composto:

Corpo cilindrico superiore
completo di attacco tangenziale / rettangolare per l’ingresso dell’aeriforme e canale di scarico per l’aria depolverata.
Tramoggia inferiore
per il convogliamento delle polveri da recuperare, completa di attacco a flangia per l’applicazione del raccoglitore collegato direttamente o di sistema di scarico in continuo.
Struttura di sostegno
a 4 gambe realizzata in robusto profilato di acciaio al carbonio verniciato con piastre di fissaggio al piano in calcestruzzo
MECCANISMI FISICI CHE PERMETTONO LA CATTURA DEGLI INQUINANTI
Sistema di Automazione
completo di sicurezze e sensori di pressione, destinato alla supervisione e gestione dell'impianto.
Dati tecnici generali:

| | |
| | |
| | |
| | |
| | |
| | |
| | |
VERSIONE BASE: DUNA 50
PORTATA: 5.200 mc/h (separazione polveri)
4.900 mc/h (separazione solidi sospesi)
LUROS SRL si riserva di rivolgere un’offerta completa di tutti i parametri direttamente al Cliente.
Sono disponibili versioni differenti da quella base, LUROS SRL si pregia di poter effettuare quotazioni su misura direttamente al cliente.
VANTAGGI DI IMPIEGO:
Costi altamente contenuti confronto ad altre alternative per l'abbattimento delle polveri e delle ceneri incandescenti che prevedono l’installazione di vasche con importanti oneri di manutenzione e di pulizia ordinaria.
I costi energetici di abbattimento delle ceneri con il sistema ciclonico ad umido, diventando modulari, vengono contenuti all’effettivo utilizzo.
Il nostro sistema di abbattimento delle polveri e delle ceneri incandescenti risulta avere la possibilità di essere agevolmente ricollocato in altri siti con dei costi di smontaggio e montaggio di gran lunga più contenuti dei sistemi a vasca tradizionali.

